Sơ đồ nồi cơm điện tử Panasonic RC-JHF18 , RC-MG182
MỜI BẠN ĐỌC THAM KHẢO
- Dịch vụ sửa nồi cơm điện tử tại nhà
- Sơ đồ mạch điện tủ lạnh các loại
- Sơ đồ mạch điện điều hòa samsung
Nồi cơm điện tử Panasonic RC-JHF18

- Công suất nấu 1300W
- Công suất giữ ấm 28W
- Dung tích 1,8 lít
- Làm nóng bằng cơ chế cảm ứng điện từ
- Giữ ấm kết hợp với sợi nung điện trở thân nồi và nắp nồi
- Cảm biến điều chỉnh hơi nước
- Bảo vệ tự ngắt nguồn nếu không có nồi trong
- Hẹn giờ nấu cơm với 2 đồng hồ
Nồi cơm điện tử Panasonic RC-MG182

- Công suất nấu 800W
- Công suất giữ ấm 95W
- Dung tích 1,8 lít
- Mâm nhiệt làm nóng bằng sợi nung điện trở
- Giữ ấm kết hợp với sợi nung điện trở thân nồi và nắp nồi
Sơ đồ mạch điện nồi cơm điện tử Panasonic RC-MG182

RC-MG182
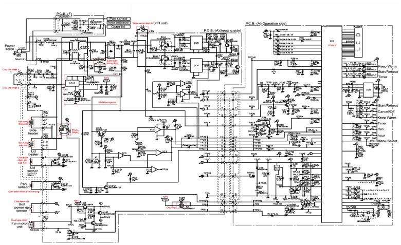
Sơ đồ mạch điện nồi cơm điện tử Panasonic RC-JHF18

RC-JHF18
Mã lỗi và cách khắc phục của nồi cơm Panasonic RC-JHF18
|
MÃ LỖI |
HIỆN TƯỢNG |
NGUYÊN NHÂN |
CÁCH KIỂM TRA, KHẮC PHỤC |
|
U10 (chỉ cho RC-JHF18) |
Không thể thực hiện nấu cơm, hâm nóng |
Không dò được nồi trong |
Đặt nồi trong vào nồi |
|
U12 (chỉ cho RC-JHF18) |
Cơm bị cháy dưới đáy nồi |
Sự truyền nhiệt kém từ nồi trong đến thermostat |
Kiểm tra lau sạch mặt ngoài đáy nồi trong Kiểm tra thay thế thermostat |
|
U15 (chỉ cho RC-JHF18) |
Không nắp van thoát hơi nước |
Van hơi nước không được lắp đúng cách |
Van hơi nước |
|
U17 (chỉ cho RC-JHF18) |
Có tiếng kêu lạ ở ổ điện nguồn |
Tần số dao động nguồn giao thoa với tần số điện lưới tại ổ cắm |
Chuyển ổ cắm khác Kiểm tra, thay thế bo mạch |
|
U14 |
Chế độ hâm nóng bị tự động tắt |
Hoạt động ở chế độ giữ ấm quá lâu hơn 96 giờ (không nên giữ ấm lâu hơn 12 giờ) |
Ấn lại nút “Keep warm” để kích hoạt lại chế độ giữ ấm |
|
H01 |
Nồi cơm không hoạt động (các nút bấm không hoạt động) |
Không có tín hiệu phản hồi từ cảm biến nhiệt độ nồi trong Pan sensor |
Kiểm tra, thay thế pan sensor hoặc cả thermostat |
|
H02 |
Nồi cơm không hoạt động (các nút bấm không hoạt động) |
Không có tín hiệu phản hồi từ cảm biến nhiệt độ nắp nồi Lid sensor |
Kiểm tra, thay thế lid sensor hoặc nắp nồi |
|
H05 |
Nồi cơm không hoạt động (các nút bấm không hoạt động) |
Rơ-le mâm nhiệt bị hỏng |
Kiểm tra, thay thế rơ-le hoặc bo mạch. |
|
H06 |
Nồi cơm không hoạt động (các nút bấm không hoạt động) |
Lỗi bo mạch |
Kiểm tra, thay thế bo mạch. |
Xem thêm : Dịch vụ sửa nồi cơm tiger
Mọi thắc mắc quý khách liên hệ theo số điện thoại Hotline để được tư vấn.
0902 119 700

.jpg)

