Để thuận tiện cho việc sửa chữa điều hòa và để quý khách hiểu sâu hơn về cấu tạo máy điều hòa chúng tôi xin chia sẻ tới quý khách một số sơ đồ mạch điều hòa của các hãng thông dụng như sau;
MỜI BẠN ĐỌC THAM KHẢO
Sơ đồ điện tủ lạnh các loại
Tìm hiểu chức năng fanspeed,clock,dry , auto ,cold điều
hòa là gì?
Một số sơ đồ mạch điều hòa thông dụng :
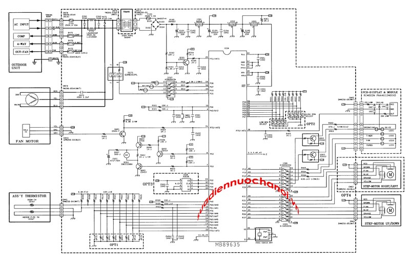
Sơ đồ mạch điều hòa SAMSUNG KFH28PV2
Sơ đồ mạch điều hòa SAMSUNG KFH28PV2
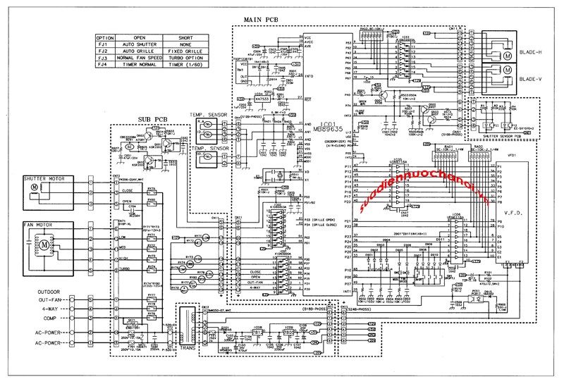
Sơ đồ mạch điều hòa SAMSUNG SH18

Sơ đồ mạch điều hòa SAMSUNG SH18

Sơ đồ mạch điều hòa SAMSUNG AM19A1(B1)E2
E2 - AM18A1(B1)B2 - AM19A1(B1)E2.jpg)
Sơ đồ mạch điều hòa SAMSUNG AM18A1(B1)E2 - AM18A1(B1)B2 - AM19A1(B1)E2
E2 - AM26A1(B1)B2.jpg)
Sơ đồ mạch điều hòa SAMSUNG AM24A1(B1)E2 - AM26A1(B1)B2
Mọi thông tin chi tiết quý khách liên hệ cho chúng tôi để có được dịch vụ tốt nhất


.jpg)

